近日,中国科学技术大学国家同步辐射实验室的加速器磁铁电源课题组在束流轨道快速校正磁铁电源的研制方面取得重要进展,相关成果于发表于电力电子领域著名期刊《IEEE Journal of Emerging and Selected Topics in Power Electronics》。
电子加速器装置运行时,多种因素会导致束流轨道偏离正常值,以及束流轨道的快速震荡。研制出响应速度快、调节精度高、稳定性好的校正磁铁电源对轨道反馈系统乃至最终同步辐射光源的品质有重要意义。由于磁铁负载的电感特性,常规的电源功率变换拓扑结构存在一定的局限性,主要体现在电源输出响应速度和输出电流稳定性之间存在矛盾、输出电流分辨率不够高等。该研究调研对比了多种电源拓扑结构,首次提出了一种基于MOSFET线性工作区的“类H桥”结构如图1、2所示。利用了MOSFET工作在线性区以及H桥结构的换相作用,成功研制出了响应快、高稳定性的双极性电源样机。样机测试结果显示,该电源的小信号带宽可以达到10 kHz, 8小时长期稳定度优于10 ppm,输出电流分辨率优于10 ppm,满足了合肥先进光源预研工程需求。


图1. 基于MOSFET线性工作区的快响应磁铁电源架构。 图2. 线性电源频率响应测试结果。
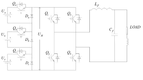
该系列研究还提出了一种基于Buck电路级联的三电平开关电源拓扑如图3、4所示(https://doi.org/10.1016/j.nima.2019.163083)。该方案采用Buck模块级联以及120?载波移相的多电平的方案,将等效开关频率提高了三倍,基于FPGA的HRPWM最小调节精度达到78ps,有效降低了输出电流纹波,提高了响应速度。


图3. 基于Buck模块级联的三电平开关电源架构。 图4. 基于移相倍频的PWM控制波形。
论文的第一作者为我校博士生邵琢瑕,通讯作者为高辉教授、张海燕副教授。线性和开关两种快响应磁铁电源样机作为该研究的成果,已经通过了合肥先进光源预研工程的专家组验收。该研究得到了国家自然科学基金委、中国科学院、安徽省以及中国科学技术大学的经费支持。
论文链接:
https://ieeexplore.ieee.org/document/8786188
(国家同步辐射实验室、科研部)